г. Алматы:
ул. Джандарбекова,123
г.Шымкент: ул. Толеби, 41а

Звоните Пн-Пт: 9 - 18

+7(700)0818881
Заказать звонок сейчас

Меню сайта

Хит
Скидка
Новинка
На заказ
Дымосос ДН №9 1 исполнение
  • Производительность: 25 000 м³/ч ;

  • Полное давление: 2 850 Па ;

  • Исполнение: 1 конструктивная схема (рабочее колесо напрямую соединено с электродвигателем);

Заказать в 1 клик

Дымосос ДН №9 изготавливается по 1-ой конструктивной схеме (соединение рабочего колеса с двигателем напрямую) и по 3-ей схеме (рабочее колесо соединяется с электродвигателем при помощи соединительной муфты) исполнения. Полное давление 2850 Па, производительность по воздуху 25000 м3/ч, по исполнению ДН-9 делятся на правые и левые (по направлению вращения рабочего колеса, если смотреть со стороны электропривода). Дутьевой вентилятор ДН №9 одностороннего всасывания предназначен для нагнетания приточного воздуха через газоходы к котельным топкам, в газомазутных котельных установках дымососы могут работать не только на вдув, но и на утилизацию дыма и летучих продуктов горения с максимально допустимой температурой рабочей среды до +200°С.

Описание

Технические характеристики ДН №9 , исполнение 3

Температура перемещаемой среды, °ССкорость вращения, об/мин.Номинальная мощность, кВтНоминальный ток при 380В (50 Гц), АТип электродвигателя *Производ. Q min, тыс. м3/чПроизвод. Q max, тыс. м3/чПолное даление Pv min, ПаПолное давление Pv maх, ПаМасса вентилятора, кг
1001 0005,512,9132S6416,54501260500
1 50018,536,3160М462510002850580

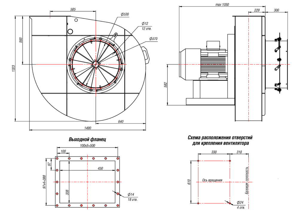
Габаритные и присоединительные размеры ДН №9, Исполнение 3

Аэродинамические характеристики ДН №9, Исполнение 3

Габаритные и присоединительные размеры ДН №9, Исполнение 3, зависящие от положения корпуса

Акустические характеристики ДН №9, Исполнение 3

Частота вращения, об/минLpi, Гц 125Lpi, Гц 250Lpi, Гц 500Lpi, Гц 1000Lpi, Гц 2000Lpi, Гц 4000Lpi, Гц 8000Lpa, дБА
10008184827976696283
15008891949189827796

Скачайте
коммерческое
предложение

Выберите куда вам удобнее отправить КП?

Cогласен с условиями политики конфиденциальности данных

Обновлен:
13.07.2022

Написать