г. Алматы:
ул. Джандарбекова,123
г.Шымкент: ул. Толеби, 41а

Звоните Пн-Пт: 9 - 18

+7(700)0818881
Заказать звонок сейчас

Меню сайта

Хит
Скидка
Новинка
На заказ
Дымосос ДН №6,3 3 исполнение
  • Производительность: 17 200 м³/ч ;

  • Полное давление: 4 300 Па ;

  • Исполнение: 1 и 3 конструктивные схемы (прямое или муфтовое соединение рабочего колеса с электродвигателем);

Заказать в 1 клик

Дымосос ДН №6,3 изготавливается по 1-ой конструктивной схеме (соединение рабочего колеса с двигателем напрямую) и по 3-ей схеме (рабочее колесо соединяется с электродвигателем при помощи соединительной муфты) исполнения. Полное давление 4300 Па, производительность по воздуху 17200 м3/ч, по исполнению ДН-6,3 делятся на правые и левые (по направлению вращения рабочего колеса, если смотреть со стороны электропривода). Дутьевой вентилятор ДН №6,3 одностороннего всасывания предназначен для нагнетания приточного воздуха через газоходы к котельным топкам, в газомазутных котельных установках дымососы могут работать не только на вдув, но и на утилизацию дыма и летучих продуктов горения с максимально допустимой температурой рабочей среды до +200°С.

Описание

Технические характеристики ДН №6,3 , исполнение 3

Температура перемещаемой среды, °ССкорость вращения, об/мин.Номинальная мощность, кВтНоминальный ток при 380В (50 Гц), АТип электродвигателя *Производ. Q min, тыс. м3/чПроизвод. Q max, тыс. м3/чПолное даление Pv min, ПаПолное давление Pv maх, ПаМасса вентилятора, кг
2001 5005,511,7112М41,88,57201700242
3 0001528,6160S23,217,21804300430

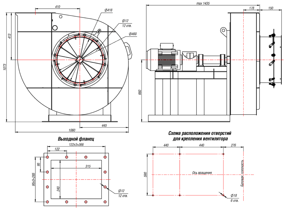
Габаритные и присоединительные размеры ДН №6,3, Исполнение 3

Аэродинамические характеристики ДН №6,3, Исполнение 3

Габаритные и присоединительные размеры ДН №6,3, Исполнение 3, зависящие от положения корпуса

Акустические характеристики ДН №6,3, Исполнение 3

Частота вращения, об/минLpi, Гц 125Lpi, Гц 250Lpi, Гц 500Lpi, Гц 1000Lpi, Гц 2000Lpi, Гц 4000Lpi, Гц 8000Lpa, дБА
15008991938785797295
30009095100101979590105

Скачайте
коммерческое
предложение

Выберите куда вам удобнее отправить КП?

Cогласен с условиями политики конфиденциальности данных

Обновлен:
13.07.2022

Написать