г. Алматы:
ул. Джандарбекова,123
г.Шымкент: ул. Толеби, 41а

Звоните Пн-Пт: 9 - 18

+7(700)0818881
Заказать звонок сейчас

Меню сайта

Хит
Скидка
Новинка
На заказ
Дымосос ДН №12,5 1 исполнение
  • Производительность: 66 000 м³/ч ;

  • Полное давление: 5 500 Па ;

  • Исполнение: 1 конструктивная схема (рабочее колесо напрямую соединено с электродвигателем);

Заказать в 1 клик

Дымосос ДН №12,5 изготавливается по 1-ой конструктивной схеме (соединение рабочего колеса с двигателем напрямую) и по 3-ей схеме (рабочее колесо соединяется с электродвигателем при помощи соединительной муфты) исполнения. Полное давление 5500 Па, производительность по воздуху 66000 м3/ч, по исполнению ДН-12,5 делятся на правые и левые (по направлению вращения рабочего колеса, если смотреть со стороны электропривода). Дутьевой вентилятор ДН №12,5 одностороннего всасывания предназначен для нагнетания приточного воздуха через газоходы к котельным топкам, в газомазутных котельных установках дымососы могут работать не только на вдув, но и на утилизацию дыма и летучих продуктов горения с максимально допустимой температурой рабочей среды до +200°С.

Описание

Технические характеристики ДН №12,5 , исполнение 1

Температура перемещаемой среды, °ССкорость вращения, об/мин.Номинальная мощность, кВтНоминальный ток при 380В (50 Гц), АТип электродвигателя *Производ. Q min, тыс. м3/чПроизвод. Q max, тыс. м3/чПолное даление Pv min, ПаПолное давление Pv maх, ПаМасса вентилятора, кг
1001 0003059,3200L6104590024501245
1 50090165,5250М41566200055001505

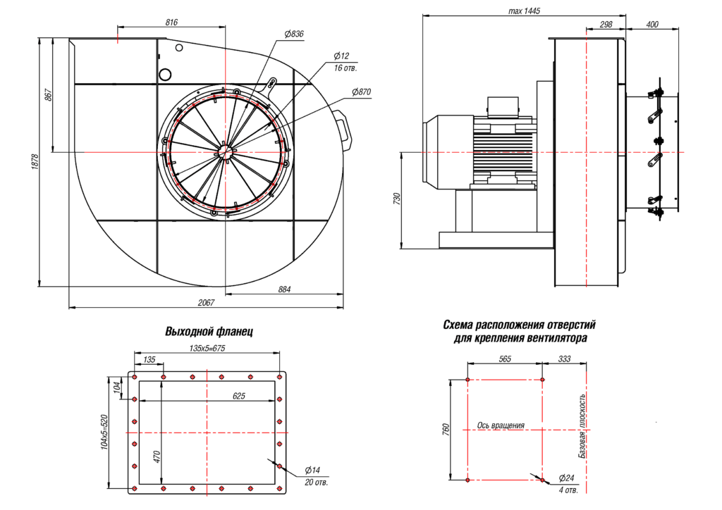
Габаритные и присоединительные размеры ДН №12,5, Исполнение 1

Аэродинамические характеристики ДН №12,5, Исполнение 1

Габаритные и присоединительные размеры ДН №12,5, Исполнение 1, зависящие от положения корпуса

Акустические характеристики ДН №12,5, Исполнение 1

Частота вращения, об/минLpi, Гц 125Lpi, Гц 250Lpi, Гц 500Lpi, Гц 1000Lpi, Гц 2000Lpi, Гц 4000Lpi, Гц 8000Lpa, дБА
10009397949188817495
15001001031071041009489108

Скачайте
коммерческое
предложение

Выберите куда вам удобнее отправить КП?

Cогласен с условиями политики конфиденциальности данных

Обновлен:
13.07.2022

Написать