на расчет стоимости
Перезвоним через пару минут
г. Алматы:
ул. Джандарбекова,123
г.Шымкент: ул. Толеби, 41а
Меню сайта
Производительность: 34 000 м³/ч ;
Полное давление: 3 450 Па ;
Исполнение: 3 конструктивная схема (рабочее колесо соединено с электродвигателем через муфту);
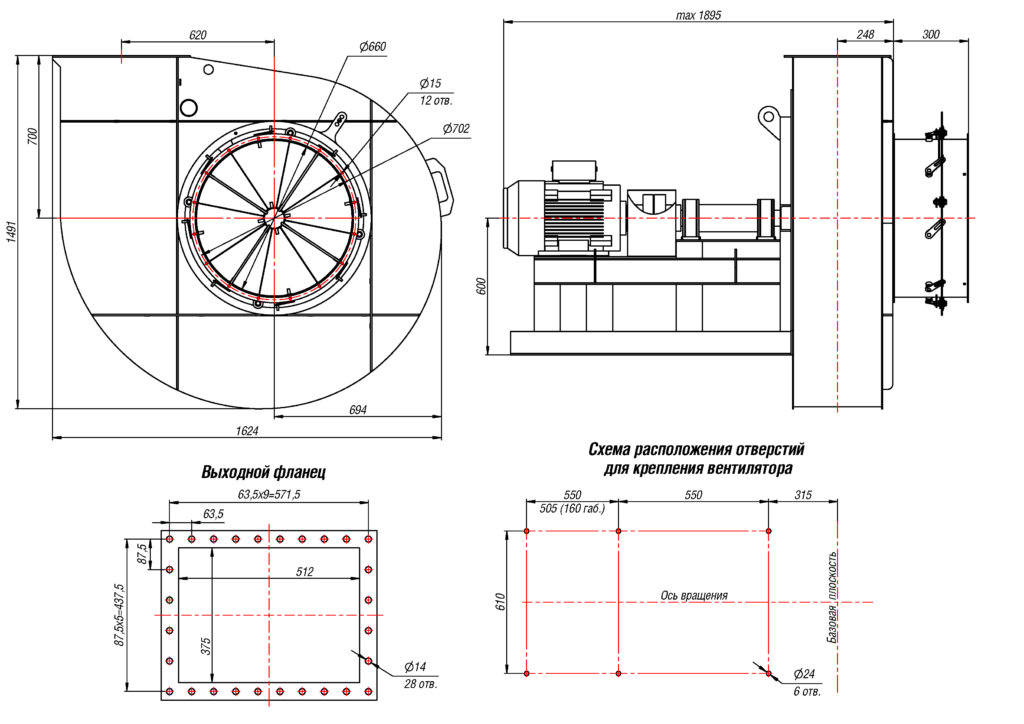
Дымосос ДН №10 изготавливается по 1-ой конструктивной схеме (соединение рабочего колеса с двигателем напрямую) и по 3-ей схеме (рабочее колесо соединяется с электродвигателем при помощи соединительной муфты) исполнения. Полное давление 3450 Па, производительность по воздуху 34000 м3/ч, по исполнению ДН-10 делятся на правые и левые (по направлению вращения рабочего колеса, если смотреть со стороны электропривода). Дутьевой вентилятор ДН №10 одностороннего всасывания предназначен для нагнетания приточного воздуха через газоходы к котельным топкам, в газомазутных котельных установках дымососы могут работать не только на вдув, но и на утилизацию дыма и летучих продуктов горения с максимально допустимой температурой рабочей среды до +200°С.
Описание
Технические характеристики ДН №10 , исполнение 3
| Температура перемещаемой среды, °С | Скорость вращения, об/мин. | Номинальная мощность, кВт | Номинальный ток при 380В (50 Гц), А | Тип электродвигателя * | Производ. Q min, тыс. м3/ч | Производ. Q max, тыс. м3/ч | Полное даление Pv min, Па | Полное давление Pv maх, Па | Масса вентилятора, кг |
|---|---|---|---|---|---|---|---|---|---|
| 100 | 1 000 | 11 | 24,5 | 160S6 | 5 | 24 | 550 | 1520 | 880 |
| 1 500 | 30 | 57,6 | 180М4 | 8 | 34 | 1200 | 3450 | 945 |
Габаритные и присоединительные размеры ДН №10, Исполнение 3

Аэродинамические характеристики ДН №10, Исполнение

Габаритные и присоединительные размеры ДН №10, Исполнение 3, зависящие от положения корпуса

Акустические характеристики ДН №10, Исполнение 3
| Частота вращения, об/мин | Lpi, Гц 125 | Lpi, Гц 250 | Lpi, Гц 500 | Lpi, Гц 1000 | Lpi, Гц 2000 | Lpi, Гц 4000 | Lpi, Гц 8000 | Lpa, дБА |
|---|---|---|---|---|---|---|---|---|
| 1000 | 85 | 88 | 86 | 83 | 80 | 73 | 66 | 87 |
| 1500 | 92 | 95 | 99 | 96 | 92 | 86 | 81 | 100 |
Обновлен:
13.07.2022
Настоящая Политика конфиденциальности персональных данных (далее – Политика конфиденциальности) действует в отношении всей информации, которую сайт , (далее – ) расположенный на доменном имени (а также его субдоменах),
может получить о Пользователе во время использования сайта (а также его субдоменов), его программ и его продуктов.
1.1 В настоящей Политике конфиденциальности используются следующие термины:
1.1.1. «Администрация сайта» (далее – Администрация) – уполномоченные сотрудники на управление сайтом , которые организуют и (или) осуществляют обработку персональных данных, а также определяет цели обработки
персональных данных, состав персональных данных, подлежащих обработке, действия (операции), совершаемые с персональными данными.
1.1.2. «Персональные данные» — любая информация, относящаяся к прямо или косвенно определенному, или определяемому физическому лицу (субъекту персональных данных).
1.1.3. «Обработка персональных данных» — любое действие (операция) или совокупность действий (операций), совершаемых с использованием средств автоматизации или без использования таких средств с персональными данными, включая сбор,
запись, систематизацию, накопление, хранение, уточнение (обновление, изменение), извлечение, использование, передачу (распространение, предоставление, доступ), обезличивание, блокирование, удаление, уничтожение персональных
данных.
1.1.4. «Конфиденциальность персональных данных» — обязательное для соблюдения Оператором или иным получившим доступ к персональным данным лицом требование не допускать их распространения без согласия субъекта персональных данных
или наличия иного законного основания.
1.1.5. «Сайт » — это совокупность связанных между собой веб-страниц, размещенных в сети Интернет по уникальному адресу (URL): https://constructor.paradigma.website/, а также его субдоменах.
1.1.6. «Субдомены» — это страницы или совокупность страниц, расположенные на доменах третьего уровня, принадлежащие сайту , а также другие временные страницы, внизу который указана контактная информация Администрации
1.1.5. «Пользователь сайта » (далее Пользователь) – лицо, имеющее доступ к сайту , посредством сети Интернет и использующее информацию, материалы и продукты сайта .
1.1.7. «Cookies» — небольшой фрагмент данных, отправленный веб-сервером и хранимый на компьютере пользователя, который веб-клиент или веб-браузер каждый раз пересылает веб-серверу в HTTP-запросе при попытке открыть страницу соответствующего
сайта.
1.1.8. «IP-адрес» — уникальный сетевой адрес узла в компьютерной сети, через который Пользователь получает доступ на .
2.1. Использование сайта Пользователем означает согласие с настоящей Политикой конфиденциальности и условиями обработки персональных данных Пользователя.
2.2. В случае несогласия с условиями Политики конфиденциальности Пользователь должен прекратить использование сайта .
2.3. Настоящая Политика конфиденциальности применяется к сайту . не контролирует и не несет ответственность за сайты третьих лиц, на которые Пользователь может перейти по ссылкам, доступным на сайте .
2.4. Администрация не проверяет достоверность персональных данных, предоставляемых Пользователем.
3.1. Настоящая Политика конфиденциальности устанавливает обязательства Администрации по неразглашению и обеспечению режима защиты конфиденциальности персональных данных, которые Пользователь предоставляет по запросу Администрации
при регистрации на сайте или при подписке на информационную e-mail рассылку.
3.2. Персональные данные, разрешённые к обработке в рамках настоящей Политики конфиденциальности, предоставляются Пользователем путём заполнения форм на сайте и включают в себя следующую информацию:
3.2.1. фамилию, имя, отчество Пользователя;
3.2.2. контактный телефон Пользователя;
3.2.3. адрес электронной почты (e-mail)
3.2.4. место жительство Пользователя (при необходимости)
3.2.5. фотографию (при необходимости)
3.3. защищает Данные, которые автоматически передаются при посещении страниц:
— IP адрес;
— информация из cookies;
— информация о браузере
— время доступа;
— реферер (адрес предыдущей страницы).
3.3.1. Отключение cookies может повлечь невозможность доступа к частям сайта , требующим авторизации.
3.3.2. осуществляет сбор статистики об IP-адресах своих посетителей. Данная информация используется с целью предотвращения, выявления и решения технических проблем.
3.4. Любая иная персональная информация неоговоренная выше (история посещения, используемые браузеры, операционные системы и т.д.) подлежит надежному хранению и нераспространению, за исключением случаев, предусмотренных в п.п.
5.2. настоящей Политики конфиденциальности.
4.1. Персональные данные Пользователя Администрация может использовать в целях:
4.1.1. Идентификации Пользователя, зарегистрированного на сайте для его дальнейшей авторизации.
4.1.2. Предоставления Пользователю доступа к персонализированным данным сайта .
4.1.3. Установления с Пользователем обратной связи, включая направление уведомлений, запросов, касающихся использования сайта , обработки запросов и заявок от Пользователя.
4.1.4. Определения места нахождения Пользователя для обеспечения безопасности, предотвращения мошенничества.
4.1.5. Подтверждения достоверности и полноты персональных данных, предоставленных Пользователем.
4.1.6. Создания учетной записи для использования частей сайта , если Пользователь дал согласие на создание учетной записи.
4.1.7. Уведомления Пользователя по электронной почте.
4.1.8. Предоставления Пользователю эффективной технической поддержки при возникновении проблем, связанных с использованием сайта .
4.1.9. Предоставления Пользователю с его согласия специальных предложений, новостной рассылки и иных сведений от имени сайта .
5.1. Обработка персональных данных Пользователя осуществляется без ограничения срока, любым законным способом, в том числе в информационных системах персональных данных с использованием средств автоматизации или без использования
таких средств.
5.2. Персональные данные Пользователя могут быть переданы уполномоченным органам государственной власти Российской Федерации только по основаниям и в порядке, установленным законодательством Российской Федерации.
5.3. При утрате или разглашении персональных данных Администрация вправе не информировать Пользователя об утрате или разглашении персональных данных.
5.4. Администрация принимает необходимые организационные и технические меры для защиты персональной информации Пользователя от неправомерного или случайного доступа, уничтожения, изменения, блокирования, копирования, распространения,
а также от иных неправомерных действий третьих лиц.
5.5. Администрация совместно с Пользователем принимает все необходимые меры по предотвращению убытков или иных отрицательных последствий, вызванных утратой или разглашением персональных данных Пользователя.
6.1. Пользователь вправе:
6.1.1. Принимать свободное решение о предоставлении своих персональных данных, необходимых для использования сайта , и давать согласие на их обработку.
6.1.2. Обновить, дополнить предоставленную информацию о персональных данных в случае изменения данной информации.
6.1.3. Пользователь имеет право на получение у Администрации информации, касающейся обработки его персональных данных, если такое право не ограничено в соответствии с федеральными законами. Пользователь вправе требовать от Администрации
уточнения его персональных данных, их блокирования или уничтожения в случае, если персональные данные являются неполными, устаревшими, неточными, незаконно полученными или не являются необходимыми для заявленной цели обработки,
а также принимать предусмотренные законом меры по защите своих прав. Для этого достаточно уведомить Администрацию по указаному E-mail адресу.
6.2. Администрация обязана:
6.2.1. Использовать полученную информацию исключительно для целей, указанных в п. 4 настоящей Политики конфиденциальности.
6.2.2. Обеспечить хранение конфиденциальной информации в тайне, не разглашать без предварительного письменного разрешения Пользователя, а также не осуществлять продажу, обмен, опубликование, либо разглашение иными возможными способами
переданных персональных данных Пользователя, за исключением п.п. 5.2. настоящей Политики Конфиденциальности.
6.2.3. Принимать меры предосторожности для защиты конфиденциальности персональных данных Пользователя согласно порядку, обычно используемого для защиты такого рода информации в существующем деловом обороте.
6.2.4. Осуществить блокирование персональных данных, относящихся к соответствующему Пользователю, с момента обращения или запроса Пользователя, или его законного представителя либо уполномоченного органа по защите прав субъектов
персональных данных на период проверки, в случае выявления недостоверных персональных данных или неправомерных действий.
7.1. Администрация, не исполнившая свои обязательства, несёт ответственность за убытки, понесённые Пользователем в связи с неправомерным использованием персональных данных, в соответствии с законодательством Российской Федерации,
за исключением случаев, предусмотренных п.п. 5.2. и 7.2. настоящей Политики Конфиденциальности.
7.2. В случае утраты или разглашения Конфиденциально
Обновлен:
13.07.2022